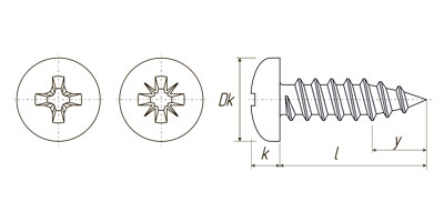
| d, мм | Dk, мм | k, мм | y, мм | Шлиц TORX | Шлиц PZ | Длина l, мм / код | ||||||||||
|---|---|---|---|---|---|---|---|---|---|---|---|---|---|---|---|---|
| 2,2 | 4,2 | 1,8 | 2,0 | PH1 | PZ1 | 4,5 | 6,5 | 9,5 | 13 | 16 | ||||||
| 2,9 | 5,6 | 2,4 | 2,6 | PH1 | PZ1 | 6,5 | 9,5 | 13 | 16 | 19 | 22 | |||||
| 3,5 | 6,9 | 2,6 | 3,2 | PH1 | PZ1 | 9,5 | 13 | 16 | 19 | 22 | 25 | |||||
| 3,9 | 7,5 | 2,8 | 3,5 | PH2 | PZ2 | 9,5 | 13 | 16 | 19 | 22 | 25 | |||||
| 4,2 | 8,2 | 3,05 | 3,7 | PH2 | PZ2 | 9,5 | 13 | 16 | 19 | 22 | 25 | 32 | 38 | |||
| 4,8 | 9,5 | 3,55 | 4,3 | PH2 | PZ2 | 9,5 | 13 | 16 | 19 | 22 | 25 | 32 | 38 | 45 | ||
| 5,5 | 10,8 | 3,95 | 5,0 | PH3 | PZ3 | 13 | 16 | 19 | 22 | 25 | 32 | 38 | 45 | |||
| 6,3 | 12,5 | 4,55 | 6,0 | PH3 | PZ3 | 13 | 16 | 19 | 22 | 25 | 32 | 38 | 45 | |||